/sqtddtot/
Stupid questions that don't deserve their own thread thread
Can someone explain how the fuck manual hub lockers work? I've never had a 4x4 until now and I don't understand what they're used for.
Do you leave them unlocked for driving around town and just lock them when you go offroading?
Do they have to be locked for the car to actually transfer power to the front wheels? If that's the case, what's the point of the 2wd/4wd selector if you also need to go out and lock the hubs?
If I put it in 4wd and leave them unlocked, is it 4wd or still 2wd?
Anonymous
9/25/2025, 2:42:44 AM
No.28639364
>>28639388
>>28639706
>>28639356 (OP)
>Do you leave them unlocked for driving around town and just lock them when you go offroading?
Yep
most vehicles that have manual hubs don't have selectable center locking diffs. They also can reduce wear on front end parts.
>If I put it in 4wd and leave them unlocked, is it 4wd or still 2wd?
2wd
you're supposed to leave them unlocked until you get stuck somewhere. then you get out, spin the knob on the spinning wheel to lock, get back in, get yourself unstuck, then get out, put them back to unlock, then get back in, and continue on your drive. driving locked when you don't need it will fuck shit up.
Anonymous
9/25/2025, 2:44:59 AM
No.28639369
>>28639388
>Do they have to be locked for the car to actually transfer power to the front wheels? If that's the case, what's the point of the 2wd/4wd selector if you also need to go out and lock the hubs?
Yes, with them unlocked the wheel will spin freely.
They can also be an easily/cheaply repairable failure point as compared to a flange.
Anonymous
9/25/2025, 2:55:27 AM
No.28639388
>>28639714
>>28639731
>>28639369
>>28639367
>>28639364
thanks friends
so basically 4wd = select 4h/4l+lock hubs
anything else will be 2wd?
>>28639356 (OP)
I double clutch my upshifts, love when I nail it and it slips in like butter. And I just like the idea of my car working as mechanically smooth as possible. Why is their so much hate and misinformation on the topic even on enthusiast forums (eg. Conflating double clutch with blipping, conflating double clutch with heel toe, confusing the difference of blipping neutral vs clutch in, muh big rigs, muh throwout bearing). I went out of my way to get a car with three pedals and I'm going to use them. Is that so weird.
And also how do I get butter every time? Sometimes it just seems random.
Anonymous
9/25/2025, 3:05:21 AM
No.28639403
>>28639415
Been driving manual for a couple of months now, still getting used to rev matching my downshifts. Going down from 5th to 4th is fine, but 4th to 3rd can get pretty weird. When I blip the throttle I can usually hear the engine rev up and I use the sound to gauge the rpm, but going 4th to 3rd I sometimes blip the throttle like I normally do and the response is a lot weaker compared to 5th to 4th. Like I'll blip, rpm won't rise as fast, and the engine is quiet. Any tips on improving the blips? Sorry if I didn't describe it well.
I drive an 8th gen Civic Si
Anonymous
9/25/2025, 3:12:52 AM
No.28639415
>>28639403
I'm like a year and a half into my journey
>>28639391 so take it with a grain of salt
The gear itself won't affect the throttle response. I think since it's all computerized they can just be programmed weird that's supposed to make it easier but it's actually less intuitive. I can, with neutral or clutch in, touch the floor with my accelerator and the rpm hardly moves. It's much more a function of how long I'm pressing than how much I'm pressing. So yeah I found it weird too but just kind of got used to it.
3rd to 4th on my car isn't a big difference, it's 3 to 2 that I had to get used to but now it's one of my favorite shifts.
Anonymous
9/25/2025, 3:30:55 AM
No.28639445
>>28639391
i never bothered double clutching on upshifts since i figured the engine will lose revs anyway, for me it was damn satisfying when i nailed a downshift and the shifter slid into gear with nearly no resistance
Anonymous
9/25/2025, 3:31:07 AM
No.28639447
I have BC coilovers and desu they're too uncomfortable. The roads in my area are pretty rough and I live on a dirt road.
Would a set of KW V2 be likely to be significantly better? What are my options? Not doing lowering springs.
Anonymous
9/25/2025, 4:32:15 AM
No.28639557
Can anyone shed any light on B7 Audi A/S4 manual transmissions? Wikipedia has no info on who made them, and I want to know what kind of power I could put through either/or before it breaks. My idea would be to use the manual in an AWD build if it's plausible.
Anonymous
9/25/2025, 5:19:36 AM
No.28639625
>>28639715
>>28639356 (OP)
Leave the passenger side hub locked so you only have to lock the driver side when switching to 4wd.
Anonymous
9/25/2025, 5:48:39 AM
No.28639655
>>28639710
>>28639714
>run over curb a bit with right two wheels
>paranoid I got a flat or something, check pressures when I get home
>front right is 32 and rest are 35 as they should be
>oh fug
>check pressures next day
>front right is 32 and rest are 35
>wait what?
>check next day
>front right is 32 and rest are 35
THEN WHO WAS 3 PSI??
Anonymous
9/25/2025, 6:21:10 AM
No.28639687
>>28639714
How bad of an idea is it to drive bias-ply drag slicks on the street if you're diligent about checking the forecast? I have an extra pair of wheels for my street trugg. Would a small puddle instantly send me spinning?
>>28639364
What if you only lock one?
Anonymous
9/25/2025, 6:53:34 AM
No.28639710
>>28639655
this shit is a trip, I think I've got a slow leak in my front passenger's side tire cause I hear a cyclical noise from that area sometimes after driving for a while and I've tried 4 different pressure gauges (a digital one on a big ass commercial compressor, two of my dad's old pen style from different manufacturers, and a new analog dial type I bought online last week) over a couple weeks now and they ALL read different pressures relative to each other.
I'm gonna soap spray the fuck next week when I get time and see if I can prove to myself I'm just overthinking.
My advice is set them all correct and then wait longer between pressure check intervals, like a week or two, then see if they don't match.
Anonymous
9/25/2025, 6:55:44 AM
No.28639714
>>28639388
Yes.
>>28639655
It's holding pressure. Top it off and don't worry about it. It isn't a woman and won't gain the 3 lbs back on its own.
>>28639687
Don't know your setup or location but legit slicks anywhere but a dedicated course is a terrible plan. Where I'm at the forecast is wrong all the fucking time, and even if it weren't there are hydrant clean outs, river fords, and cops with quotas. Equipment violations aren't as lucrative as moving violations, but revenue is revenue.
Anonymous
9/25/2025, 6:56:23 AM
No.28639715
>>28639706
Basically the same as having both locked. Some people do
>>28639625
Also you should lock both every so often just to keep them happy.
Anonymous
9/25/2025, 6:58:47 AM
No.28639718
>>28639706
The hub connects the wheel to the axle half-shaft. Assuming it is an open differential, all the power will go to the opposite wheel. Even if it isn't, that type of asymmetric load isn't good on a shitload of components so you should not do that.
Also, cycle them and use your 4wd at least every couple months to keep things loose and lubed. Super common for shit to break when it gets engaged for the first time in half a decade.
Anonymous
9/25/2025, 7:14:37 AM
No.28639727
>>28639367
>unlocked until you get stuck somewhere.
wrong. When brand new you lock them and drive 300 miles to be sure the front end is broken in properly. Locking the hubs means the front axles turn and do the gears in the front diff but there is no engine power going to them because you do not shift into 4 high. If you know you are going to need 4wd or the dirt sand road is rough you just put it in 4wd and it helps smooth out the ride and improve handling, but you are not supposed to use 4wd on hard dry roads or paved roads. You do not need to keep getting in and out and locking and ulocking the hubs on the same road or snow for traction. I have 400,000 + miles on my taco and drove the shit out of it in the snow and off road and never had a problem with the front wheel drive system.
Anonymous
9/25/2025, 7:22:10 AM
No.28639731
>>28639750
>>28639388
>so basically 4wd = select 4h/4l+lock hubs
>anything else will be 2wd?
is the truck new or old? If old change the oils in the transfer case and front diff, it takes special oil because of the type of gears. Look it up on the manual. Stop, lock the hubs and you can start driving then if you need high 4x you can shift into high 4x while driving but at low speeds like 30 or less and the road should be snow or sandy/loose, not paved. let off the gas and gently shift the lever into high 4 it should go in easy. If this is the first time for you go ahead and stop, then shift. Drive slowly and get used to the feel. stop where safe and shift into 4low, very slowly let the clutch out (I have a manual) 4L is VERY low, max speed is like 2 mph. Just parctice slowly shifting gears and get used to the speed ranges for low range and high range. If you drive manual you will need some experience before any steep climbs or descents. If you are going down a steep hill keep your hand on the gear shift lever so it dow not pop out of gear with all the bouncing the truck suddenly accelerate downhill if it pops out of gear. Take it easy and get used to it. Keep up oil changes and it will be a great ride.
Anonymous
9/25/2025, 7:23:36 AM
No.28639732
>>28639706
>What if you only lock one?
always lock both or none, its good habbit. You do not want to forget and lock one and put it into 4x mode.
Anonymous
9/25/2025, 7:44:43 AM
No.28639750
>>28639766
>>28639980
>>28639731
Appreciate it anon, I've never done any sort of offroading so this is all a very new world to me. It's a samurai, picked it up for cheap and already have all the basic filters and belts and such ordered and will do full fluids flush when I get it all.
Anonymous
9/25/2025, 8:00:47 AM
No.28639766
>>28639750
>any sort of offroading
its great, just go slow and learn safely. I almost rolled my new truck waaaaayyyy out in the middle of nowhere. I thought you just put it in 4x and drove off. Saw plenty of accidents in the snow, I slid threw an intersection at 5 mph because it was down hill and just could not stop. Tires make a huge difference between highway driving, snow, ice, sand. You can drive almost anywhere, but take into account specific situations and tire ability, tire pressure, ground clearance stuff like that. My truck is 1999 and I did a lot of highway miles and mountain snow driving. I did not notice that my front suspension springs were worn out and the front lost about two inches of height until I went off roading again and almost hit my front diff a few times. Got new taller springs and some better offroad tires and its much better. Watch a bunch of vids of people getting flats, stuck and unstuck and how they prepare. Now when I go far out somewhere I have a sat phone, spare belts, plugs, spark plug wires and coil packs, oil, coolant, shit load of tools, and numerous ways to fix flats. Slowly learned and accumulated. Oh, get a repair manual for you samurai it shows all the parts and diagnostics. Write your VIN in the manual and keep it with your car in case you need to trouble shoot or fix something.
Learning to drive manual and I keep finding conflicting information
I find posts and videos telling me that I shouldn't give too much gas and just try to take off with the clutch since giving too much gas will launch the car and hurt the clutch, I also find stuff telling me that you should be giving ample gas. And then some people telling me that it's impossible to give a car too much gas when engaging clutch, more gas never hurts. What's the reality?
Anonymous
9/25/2025, 9:27:43 AM
No.28639803
>>28642390
Can we fix it?
I let the lady drive it for a day
Anonymous
9/25/2025, 11:52:37 AM
No.28639897
Does anyone have the reddit post where the guy is a truck owner and he's saying how he'll never dare scratch up his bedside?
Anonymous
9/25/2025, 11:59:42 AM
No.28639907
>>28659879
>>28639795
Try to find the (smallest)amount of gas/revs so that when you start releasing the clutch the car starts moving, but the engine doesnt start choking. You want to feel that the engine didnt lose too much power when you release the clutch, but you also dont too many revs since a huge difference between the spinning engine and static wheels means that you will either:
Spend more time with your clutch half engaged (slipping), until your wheels match your revs
You release the clutch suddenly. Yes, your engine will push through, but you give it an uneccessary shock.
I aim for least amount of having the clutch half engaged while alowwing me to floor it if neccessary.
Now my question for sqt: I had my hand brake cables changed recently. Right one is engaging the brake slightly even when I don't pull on the handle. My right brake disc is heating up more than the left one. Should there be any force applied to my brakes if im not engaging them? Should I let the brake pad wear down over time?
Anonymous
9/25/2025, 1:25:38 PM
No.28639980
>>28639750
Were you able to find the owner's manual for it? They usually have lots of useful stuff explained in them, sometimes they even have tips on defensive driving, offroad recovery and stuff like that. I mean your question about the hubs has to be answered there.
Anonymous
9/25/2025, 1:29:09 PM
No.28639984
>>28640009
>>28639795
Your clutch is a wear item.
Wearing it down doesn't hurt any other components, unlike clutch packs and brake bands in automatic transmissions.
Anonymous
9/25/2025, 1:30:37 PM
No.28639986
>>28639991
>>28639367
What a fuckin chore. I like nothing better when I'm out wheeling than to switch between 2wd, 4wd hi and 4wd lo without even stopping the vehicle. Subaru figured out how to do it 45 years ago why can't anyone else.
Anonymous
9/25/2025, 1:33:47 PM
No.28639991
>>28639996
>>28640069
>>28639986
>Subaru
>4wd lo
Anonymous
9/25/2025, 1:33:59 PM
No.28639993
>>28640003
>>28646725
I leave mine locked all the time because I am in and out of 4x4 at least 4 times a day.
They just lock the hubs which gets the front axle engaged to the road. If you aren't in 4x4 there won't be any wind up on most vehicles.
They aren't really a "real offroader" feature. They are actually a fuel saving highway feature. "Real offroader" will have no reason to have freewheeling front hubs.
Anonymous
9/25/2025, 1:34:59 PM
No.28639996
>>28640008
>>28639991
Zoomer detected
Anonymous
9/25/2025, 1:39:57 PM
No.28640003
>>28639993
>They are actually a fuel saving highway feature.
And cost-saving feature as well
The alternative is to use vacuum or some form of electric actuation to disengage front shafts. I remember older Fords going with the former and GM trucks having the latter.
Anonymous
9/25/2025, 1:42:07 PM
No.28640008
>>28640012
Anonymous
9/25/2025, 1:42:13 PM
No.28640009
>>28640016
>>28639984
While I think autos suck. Clutch packs and brake bands have near no wear. Once in gear the only thing slipping is the torque converter until the TCC locks up. Main problem with automatics are the nigs that don't change fluid ever.
Anonymous
9/25/2025, 1:44:34 PM
No.28640012
>>28640027
>>28640008
Land Rover Defender is about 1.577:1 at the transfer case.
Anonymous
9/25/2025, 1:48:14 PM
No.28640016
>>28640009
They do wear down if the torque is close to the limit the transmission can tolerate. One solution is to increase pressure and speed up the application of it as far as I understand.
Idk about sucking, I mean they do have pumps and even sumps, the said torque converter is the game changer compared to a clutch. It's not a wear item, it can actually increase engine torque while coming from a stall (compared to a clutch which decreases it while not fully engaged).
Anonymous
9/25/2025, 1:58:07 PM
No.28640027
>>28640012
What? LT230 is 3-something
Anonymous
9/25/2025, 2:06:05 PM
No.28640039
>>28659884
>>28639356 (OP)
If I don't have directional tires can I just put them all on in random order when switching out summer and winter and call that good for the tire rotation?
Anonymous
9/25/2025, 2:32:07 PM
No.28640069
>>28639991
>"subaru not a proper 4wd bro"
Mine has no center diff (dog clutch) a rear locker and yes low range. Routinely get held up by "proper" 4wds getting bogged in front of me on the beach.
Anonymous
9/25/2025, 6:39:55 PM
No.28640390
>>28657270
>>28639356 (OP)
Just ran over a can
What are the odds it slashed the tyre?
Anonymous
9/25/2025, 8:06:51 PM
No.28640532
>>28641063
>>28659891
>>28639356 (OP)
What winter tires should I get?
Current contenders are:
>Michelin Alpin 7 (104,62 β¬ to 124,71 β¬)
>Continental WinterContact TS 870 (104,62 β¬ to 123,08 β¬)
>Pirelli Cinturato Winter 3 (108,52 β¬).
Size is 205/55R16, they'll go on a E36 320i sedan.
Anonymous
9/25/2025, 9:43:55 PM
No.28640760
>>28640842
Saw 1mm diameter bits in my oil when I changed it last but honestly couldn't recall if the pan wasn't just full of rocks when i got it out. Magnet wouldnt help because my engine is aluminium.
Would my engine even still be running if 1mm chunks were getting ripped out?
Anonymous
9/25/2025, 10:01:50 PM
No.28640804
Mavis Discount cheapo tires, they any good? I frankly expect the car to die/get sold before the tires wear out so I'm not concerned about warranty length.
Anonymous
9/25/2025, 10:13:18 PM
No.28640842
>>28641066
>>28640760
It's entirely possible, as it depends on where those chunks are being removed from. Check your oil filter for debris.
Anonymous
9/25/2025, 11:50:54 PM
No.28641038
>>28641068
>want custom headlight
>Buy and ship a pair for cheap to guy for customizing
>He says they're not restorable
>Ok, overpay a bit for some pristine ones to send to him
>He gets them, works on them, they look great
>Get them
>Left lens is full of what looks like plastic shavings that won't shift
>Send them back
>He takes them back apart, apparently they're actually deep chip marks inside the lens
>Not really supposed to touch the inside of a headlight lens but he tries, just makes it worse
>Lens is now totally fucked
I'm already overbudget and now I'm gonna have to spend money on a whole new left headlight just to scavenge the lens from it. Its a 24 year old car so they're hard to come by in good condition. Even an aftermarket copy is pretty expensive and I can't be sure of the quality.
What do? What fucking do?
Anonymous
9/26/2025, 12:06:08 AM
No.28641063
>>28641999
>>28640532
Get studded Nokians
Anonymous
9/26/2025, 12:07:19 AM
No.28641066
>>28640842
Ok thanks. It was clean if I remember right.
Anonymous
9/26/2025, 12:09:04 AM
No.28641068
>>28641082
>>28641038
>want custom headlight
>buy new aftermarkets
>customize them yourself
Anonymous
9/26/2025, 12:23:36 AM
No.28641082
>>28641088
>>28641068
Aftermarkets are shit.
And they've already had all the work put into them.
Anonymous
9/26/2025, 12:29:59 AM
No.28641088
>>28641774
>>28641082
Even worse than 24 year old used OEMs?
Is it possible to do lens transplant from new aftermarket to used OEMs?
What car is that?
are aftermarket wheels considered 'rice'? how do second owners view them when purchasing?
personally, when I see aftermarket wheels I'm inclined to stay away because who knows what else that idiot's done to the car.
Anonymous
9/26/2025, 2:21:32 AM
No.28641264
>>28641387
>>28657325
>>28641263
>are aftermarket wheels considered 'rice'?
100%.Especially cheap ricer rims like that.
>how do second owners view them when purchasing?
You can safely assume the first owner was of the ethnic variety.
Anonymous
9/26/2025, 3:16:59 AM
No.28641387
>>28641263
>are aftermarket wheels considered 'rice'?
no, unless they're cheap reps or autozone specials or wheels that fit poorly.
>how do second owners view them when purchasing?
depends on the wheels. If I bought a miata with 6uls I'd be happy with them.
>>28641264
>enkei
>cheap ricer rims
lmao
anon just keep the stock wheels as well, throw some winter tires on them or something as spares. Stop worrying about doing extremely easily reversible things to your car in fear of what the next owner will want you dumb cuck.
Anonymous
9/26/2025, 6:53:36 AM
No.28641751
>>28641263
It depends
>Are stock wheels ugly? If yes, move to question 2
>Are the aftermarkets tacky?
If no, it's fine.
Some cars (FRS, BRZ, C8 corvette, modern Hondas come to mind) just have horrible stock wheels. Dumping them for something less upsetting isn't a crime, though it's arguably a waste of money.
Anonymous
9/26/2025, 7:10:53 AM
No.28641774
>>28641088
I think its possible to transplant, i suspect the plastic will be ultra cheap shit.
Anonymous
9/26/2025, 7:11:55 AM
No.28641777
>>28641263
Who the fuck cares what retards label "rice"
Anonymous
9/26/2025, 11:50:33 AM
No.28641988
>>28641263
just don overdo it
>keep your melanine low
Anonymous
9/26/2025, 11:57:12 AM
No.28641994
>>28639391
Rev matching upshifts is pointless and retarded unless you have a box with no synchros
Anonymous
9/26/2025, 12:06:51 PM
No.28641999
>>28642054
>>28641063
I don't need studded tires, I'm a cityfag who's going to expect less than 5cm of snow this winter but a lot of dry cold and wet cold streets with some black ice.
Anonymous
9/26/2025, 12:53:34 PM
No.28642024
>>28642393
Car is broke. While I wait for a tow, can I keep my jump starter battery on my car's battery to run accessory mode longer damage any of the electronics? Or will I just end up draining both the jump starter and battery at the same time?
Anonymous
9/26/2025, 1:43:38 PM
No.28642054
>>28642101
>>28641999
>expects black ice
>doesn't need studs
Anonymous
9/26/2025, 2:22:58 PM
No.28642101
>>28642133
>>28659943
>>28642054
Take a fucking hint man (β¬), you cannot drive studded tires in most parts of the EU because they're fucking banned for all intents and purposes save a few places and conditions where you really need them.
I neither live in the hills nor in the nordics, I don't drive a off-road vehicle, I don't need studded tires, I don't want studded tires, I am not allowed to drive studded tires.
I just wanted to know which one of the three tires I posted are the best hoping some hero-anon had driven all of them because there's no test/review out that compares them directly yet.
Jesus.
Anonymous
9/26/2025, 2:42:07 PM
No.28642133
>>28642101
>country still not mentioned
>climate and scenarios partially disclosed only after a reply
Here's a hint how to ask questions to increase the probability of real answer. I don't think there is a lot of people here knowing these exact models of tires, let alone having driven all three. Maybe post a pic of all three, some tires are easy to rule out just by looking at them (like those obviously 4season not winter dedicated) and pics tend to attract attention.
As for the spikes, see pic. Sorry to learn you're not allowed, they are probably the best against black ice.
Anonymous
9/26/2025, 2:47:41 PM
No.28642139
>>28642147
What's the most unobtrusive LED lighting solution I can put a 99 4Runner. I don't want to drill any holes, or have them in the most inconspicuous spots possible in case I want to remove them later. Roof rack mounted is unfortunately not an option because I have the stupid moonroof "half length" one. But I can't see fucking shit at night with these old ass headlights.
Anonymous
9/26/2025, 2:54:13 PM
No.28642147
>>28642139
Led projectors retrofit into the OEM housings, saw a number of those done on your gen 4runner. Just don't go full retard with angel eyes and shit.
Anonymous
9/26/2025, 6:14:35 PM
No.28642390
Anonymous
9/26/2025, 6:17:29 PM
No.28642393
>>28642024
it won't damage anything, it'll just drain the pack. draining your main battery will reduce its storage capacity somewhat if it's lead acid so i would avoid letting it drop below about 11.5 volts if possible
Anonymous
9/26/2025, 7:27:57 PM
No.28642503
>>28642770
>>28639356 (OP)
Op something I haven't seen anyone say in here is that some new trucks have auto locking hubs. You can manually lock them like old days but the only other setting is auto the system will electronically control the hub in auto. This confused the hell out of me when I bought a new 2016 F250 I fucked with it in the snow and couldn't unlock it when the truck was set to 4x4.
Anonymous
9/26/2025, 7:52:56 PM
No.28642556
>>28643801
>>28657276
Where can I find technical and engineering resources, preferably free, on how to properly set up a fwd car's suspension for performance/racing?
Anonymous
9/26/2025, 9:00:03 PM
No.28642666
>>28642679
>>28642714
My foxbody has an uh-oh stinky whenever it has to stop very suddenly in first gear, usually due to a cyclefag or typical naweastuh driver. It's especially bad if I have to do it on a hill (either direction.) It completely drops first gear and either idles before finding its legs (takes half a minute) or is jammed in park. If I pull it into a parking lot and turn it off and on again I have no issues. I can't tell if this is transmission, electrical, pump or something else. It might also just be the quirk of a 35 year old car. Any ideas?
Anonymous
9/26/2025, 9:07:28 PM
No.28642679
>>28642714
>>28642666
Probably the transmission fluid. It's not electrical, AOD doesn't use those at all. If you hear any kind of hissing it could also be a vacuum leak.
Anonymous
9/26/2025, 9:35:06 PM
No.28642714
>>28642666
>>28642679
Agreed with this guy. Fluid could simply be low.
Anonymous
9/26/2025, 10:16:03 PM
No.28642770
>>28643011
>>28642503
>not reading manuals
NGMI
Anonymous
9/27/2025, 12:34:38 AM
No.28643011
>>28642770
I'm 100 sure it was faster to learn by trial than flipping though a 5000 page book that assumes I already knew WTF automatic hubs are. Last time I tried looking something up in that huge Bible it took 10 mins of searching to not find it and 2 mins of just figuring it out.
Anonymous
9/27/2025, 12:54:14 AM
No.28643030
>>28643799
What do you think makes more sense? I have the option to either buy a new BMW M2 or do a "rental".
Buy
>60.000β¬
>2000β¬ / year taxes and insurance
>1000β¬ / year service (estimate)
>buying new tires every now and then (winter too) a set for 2-3000β¬
Rental
>700β¬ / month = 8400β¬ year
>no costs for insurance, tax, winter tires, service
>get brand new M2 every year
Really makes me think. Of course owning one would be nice. If I do the rental for 7 or 8 years I would pay as much as buying it new. But a new M2 loses a lot of value probably after 8 years. Plus who knows what failures or futher costs appear. Much less headach by renting too. I drive around 15.000km per year.
Momma needs a new car and she wants to go look at a used lot near her house. My only car buying experience was buying a used one from a neighbor ages ago so I've never really dealt with an actual salesman. I've reviewed the sticky but I'm wondering if an actual dealer would even let you do anything beyond a simple test drive
I would assume that if they know what's actually wrong with the car they'll know how to shut you down before you can investigate
Anonymous
9/27/2025, 2:22:18 PM
No.28643768
>>28643354
call a mechanic before going and ask if they can inspect it. most dealers will be ok with this, the scummy ones will not. some big name dealers will send a used car through an inspection beforehand, but ymmv with those
never, never, ever finance directly through the dealership, especially if its a BHPH. these will often take the form of weird looking loans, e.g. $350 every 2 weeks. get a real loan from a real bank or pay in cash. most brand name dealerships will partner with local banks (for example my wifeβs jeep loan is through Chase, but my Ford loan is through Ford Credit) but BHPH lots will run financing themselves. its an incredibly predatory practice
most dealerships will let you test drive anything as long as its not a specialty car or physically inside their showroom.
Anonymous
9/27/2025, 2:52:29 PM
No.28643799
>>28643030
the rental sounds like a pretty sweet deal because if your living situation changes you can always stop driving M2s and get something different
but if you buy the M2 itll drop to $50k on day 1, then decay somewhat exponentially over the next 3-5. that said, buying new in the short term rarely makes sense unless you plan to hold it for many years
Anonymous
9/27/2025, 2:54:43 PM
No.28643801
>>28642556
unironically start with ChatGPT but disregard the answers it gives you. instead look at the sources it pulls up because it will usually pull from old boomer forums
Anonymous
9/27/2025, 6:02:11 PM
No.28644072
>>28644079
>>28645255
8th gen civic is bottoming out hard on NYC streets whenever 3 people are in the car, even going slowly. Feels like it could crack welds and shock towers. I want a fix I can install in a day if possible.
I'll start with inspecting the bumpstops. If theyre trashed they need replacing.
I want to buy taller and stiffer springs to stop it from bottoming out.
Shocks were replaced 2 years ago, but the car has always bottomed out like this for 3 years.
Stock ride height is 26" from ground to fender per forums. Today, with 25psi it's measuring:
RR: 25 1/8"
FR: 25 1/8"
LR: 25 1/2"
FL: 25 1/2"
Replacing stock springs might not do anything. I'm thinking of custom ordering 1" taller rear springs at equivalent spring rate. If adjusting rates, how do you calculate damping? How does one shop around for custom shocks? Easiest to just buy adjustables?
Or maybe the almost 1" height loss (compared to random dude on forum measurements) is proof enough the stock springs are sagged and I should just do springs and bumpstops.
As you can imagine, its a honda so all forum posts are unproductive arguing amongst 80iq individuals.
Thanks for reading.
Anonymous
9/27/2025, 6:05:44 PM
No.28644079
>>28644072
Forgot to add its really just the rear suspension thats bottoming out.
Anonymous
9/27/2025, 9:45:05 PM
No.28644573
>>28644620
>>28644720
Are Scion parts difficult to find in general? There's a nice deal for a used one I'm thinking of nabbing
Anonymous
9/27/2025, 10:19:50 PM
No.28644620
>>28644637
>>28639356 (OP)
Are Mass Airflow Sensors really just fucking off-the-shelf through-hole resistors (thermistors I guess) one could pick from their tube TV or is autodoc fucking with me?
Pic rel, it's the MAF sensor for a Nissan Micra K11 with a cg10 engine.
>>28644573
I have no clue, but my gut instinct is telling me that they're just rebadged toyota parts. Check first before pulling the trigger.
Anonymous
9/27/2025, 10:27:44 PM
No.28644637
>>28644658
>>28644620
>Are Mass Airflow Sensors really just fucking off-the-shelf through-hole resistors (thermistors I guess) one could pick from their tube TV or is autodoc fucking with me?
>Pic rel, it's the MAF sensor for a Nissan Micra K11 with a cg10 engine.
no
it's a thermistor of a very specific resistance inside a carefully calibrated space that exposes it to just enough air to operate. it's not just a thermistor hanging out in the open like an IAT sensor would be even though that is genuinely what it looks like. the resistance of the thermistor and the flow of air around it matters a lot.
Anonymous
9/27/2025, 10:38:54 PM
No.28644658
>>28644669
>>28644637
So in other words, the Zener-Diode in that pic is not the actual thermistor, but the actual thermistor would rather sit in one of the nooks?
i.e. the part is legit?
Anonymous
9/27/2025, 10:46:54 PM
No.28644669
>>28644658
yes
air actually goes in that scoop near the bottom of the part and the actual maf sensor is in there.
i cannot find any explanation for the single exposed diode on the side, maybe it was just easier to assemble that way, or perhaps it is exposed so you can easily test it with a multimeter while it's attached to the car.
Anonymous
9/27/2025, 11:15:27 PM
No.28644713
>>28643354
if she's getting late model, just do carvana or carmax, it's not worth dealing with these stealership subhumans in the modern age.
if she wants a sub $10k car, pick 20 cars that would work on facebook marketplace, check the profile make sure they're white a clean looking with a real profile and go look at them. it's much more chill buying from a real person selling their own car as long as they're not a nigger or sketchy.
Anonymous
9/27/2025, 11:17:30 PM
No.28644720
>>28644573
>Are Scion parts difficult to find in general?
not really. the common parts are mostly shared with toyotas and will be readily available, the less common parts won't be any harder to find than any 15+ year old car, ie junkyards and ebay. they were great cars destroyed by shitty marketing and a lousy economy. I wouldn't hesitate to buy one.
Anonymous
9/27/2025, 11:41:03 PM
No.28644781
>>28644787
>>28644756
usually you will find the maf sensor sold as an assembly with the intake tube because the maf's flow rate is actually calibrated to the specific diameter of the intake tube it sits in. buying a sensor for a different model of car with the same engine will probably work fine as long as that diameter doesn't change.
Anonymous
9/27/2025, 11:42:55 PM
No.28644787
>>28647141
>>28644781
So if the MAFS is in fact shot, I should replace the whole assembly?
Also why the F are my last two posts gone?
Anonymous
9/28/2025, 12:39:20 AM
No.28644880
>>28644923
>>28644925
looking for a ring terminal like this one. replace my alternator and broke this one. the hole is 6mm
Anonymous
9/28/2025, 1:05:09 AM
No.28644923
>>28644951
>>28644880
can't use a ring terminal? pic related
yellow ones are 12-10 gauge iirc
Anonymous
9/28/2025, 1:06:10 AM
No.28644925
>>28644951
>>28644880
oh and 6mm hole means you want an M6 ring terminal
Anonymous
9/28/2025, 1:16:59 AM
No.28644951
>>28645043
>>28644923
>>28644925
so those are fine on the output terminal?
Anonymous
9/28/2025, 2:04:28 AM
No.28645043
>>28645052
>>28644951
yep, most important thing is that it actually takes the right size wire. E.g. if it's bigger than 10 gauge you'll need something bigger.
Anonymous
9/28/2025, 2:04:52 AM
No.28645045
>>28643354
I cant comprehend people who go to actual dealerships rather than private sales
Anonymous
9/28/2025, 2:09:54 AM
No.28645052
>>28645043
awesome, thanks
Anonymous
9/28/2025, 2:29:05 AM
No.28645081
>>28645524
I'm test driving a car on my own for the first time tomorrow, any tips on what to do/check to get the best idea about the car?
Anonymous
9/28/2025, 2:54:41 AM
No.28645141
My car got totaled in WI and I fixed it, will I be able to register it next year without doing anything special? I've been getting two very different answers depending on who I ask. If I do need to, can I transfer my plates to my untotaled car, register it, then transfer the plates back?
Anonymous
9/28/2025, 3:05:25 AM
No.28645155
>>28645156
>>28645313
If I wanted to have pic related replicated on a modern car, what kind of shop would I have to go to?
Anonymous
9/28/2025, 3:05:56 AM
No.28645156
>>28645313
>>28645155
Whoops, wrong pic.
Anonymous
9/28/2025, 3:07:11 AM
No.28645159
>>28645170
>>28645519
convince me not buy the F150 lightning
Anonymous
9/28/2025, 3:14:51 AM
No.28645170
>>28645159
Get a cybertruck instead
Anonymous
9/28/2025, 4:21:42 AM
No.28645255
>>28644072
So, the girlfriend now changes her story and it sounds like the rear shocks were NOT changed 2 years ago, probably just the fronts. Lame.
Anonymous
9/28/2025, 4:39:40 AM
No.28645271
Why don't mechanics ever fill in my logbook?
Anonymous
9/28/2025, 5:20:11 AM
No.28645313
>>28645155
>>28645156
you'd either need to have shitloads of money to waste or some good metal fabricating skills. a real shop would likely cost you close to six figures to accomplish that monstrosity, if they would even touch the project for liability reasons.
Anonymous
9/28/2025, 7:06:23 AM
No.28645458
>>28645467
Why does the rotary engine from the FD rx7 have such a better reputation for both performance and reliability compared with the one in the RX8? I've read lots of talk online about how it's mostly due to poorly engineered apex seals in the RX8 but I don't understand how Mazda could do a shitty job of designing a rotary when they made a legendary one more than ten years earlier
Anonymous
9/28/2025, 7:12:01 AM
No.28645467
>>28645458
>Why does the rotary engine from the FD rx7 have such a better reputation for both performance and reliability compared with the one in the RX8?
Because the 13b is a significantly better designed engine than the renesis.
Anonymous
9/28/2025, 7:58:45 AM
No.28645519
>>28645159
its a bad buy when you can get a regular f150 for the same price and not have to deal with charging
you should run the numbers on one in excel or something, the breakeven point for a gas compared to the lightning is something like 80-120k miles. which for most people is 5ish years
idk its probably a perfectly adequate truck for just putting around town if thats all youre after
Anonymous
9/28/2025, 8:02:04 AM
No.28645521
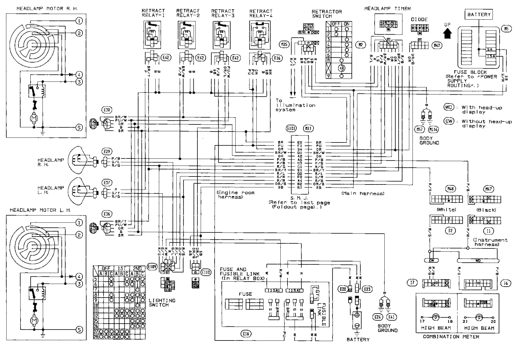
I have an S13 with fucked popups, and a previous owner that loved playing with the wiring. I am trying to read the wiring diagram from the fsm, and looking at pins 25, 26, 27, and 28, it seems the stalk setting for 1 triggers the same relay as off, and only 2 triggers a separate relay. I followed the traces, and it seems like first and off trigger relay 3, and thus 2 on the popup itself, and 2 triggers relay 4, energizing pin 1 on the popup itself. but i do not know how to read the bit in the headlamp motor boxed off section. I would assume the popups are supposed to be up for both 1 and 2, and down for off. any ideas on what i am reading/interpreting wrong?
Anonymous
9/28/2025, 8:03:32 AM
No.28645524
>>28645081
check the oil dipstick for obvious glitter, check the tire tread, check underneath for any visible rust, check the wheel wells for rust
steer lock to lock, push the brake pedal to the floor, make sure the park brake latches and disengages, check every feature inside to make sure it works (sunroof, wipers, headlights, heated seats, power seats, etc)
Anonymous
9/28/2025, 11:59:40 AM
No.28645719
Do i need to use a spring compressor to get a tophat off?
Anonymous
9/28/2025, 4:00:31 PM
No.28645851
>>28645872
>>28660618
>>28639356 (OP)
professional retard here, how do i check if rims/tires are suitable for my car. I have a 2022 corolla se, and i'm not sure if any 16 inch rim/tire would be good. would any 15 inch ones also work?
Anonymous
9/28/2025, 4:28:23 PM
No.28645872
>>28645851
Research what your bolt pattern and offset are. Those are the two most important factors.
Anonymous
9/28/2025, 10:10:25 PM
No.28646311
>>28646410
>>28647139
How many psi off from what the manual says can your tires be before it becomes a problem? Also what's the maximum normal amount of pressure loss over time for tires?
Anonymous
9/28/2025, 10:31:49 PM
No.28646339
>>28646459
>>28646462
How much should I expect to pay for a pair of clean front seats and a clean dashboard from a w123? Blue dash and seats, specifically.
Anonymous
9/28/2025, 11:17:33 PM
No.28646395
>>28647096
2017 Fiesta. Hot and cold air work when they work, A/C compressor clicks on, radiator fan works, etc. But air comes out of the dash really intermittently and the mode switching rarely works. Like I'll be driving and suddenly get a burst of cold air and it's gone. Clicking and groaning noises from the center console when I move any of the controls. Probably my blend door actuators, right? I've read it's a common problem on the Fiesta.
Anonymous
9/28/2025, 11:28:55 PM
No.28646410
>>28647580
>>28646311
TPM idiot lights are set to come on at +/- 25% of rated pressure. Ideally you should keep it as close as possible, because even a few PSI can make a big difference in terms of fuel economy and tire wear.
Anonymous
9/29/2025, 12:07:44 AM
No.28646459
>>28646462
>>28646339
if it's rare, it could be well into the thousands. most people "know what they got" on stuff like that, even junkyards want an arm and a leg now.
Anonymous
9/29/2025, 12:09:44 AM
No.28646462
>>28646527
>>28646339
>>28646459
also, if the seats just have worn upholstery check with an upholstery shop or if you diy check upholstery suppliers, it may be significantly less to just reupholster your seats instead of replacing the entire things.
https://www.lseat.com/products/1980-1985-mercedes-benz-w123-c123-300cd-custom-real-leather-seat-covers-front.html
Anonymous
9/29/2025, 1:08:47 AM
No.28646527
>>28646462
My seats need pretty extensive foam repair, and Iβm a bit nervous about the quality of most of the seat covers you can buy online. The only one Iβve heard good things about is gahh but I priced those out for the whole car and I wasnβt thrilled. I donβt know how expensive upholstery work runs these days but Iβm pretty sure it would be better if I could find some seats from a marketplace part out.
>>28639356 (OP)
Condensation problem.
My car is getting a crazy amount of condensation inside of it every time it rains or gets foggy. Its an 08 Town Car and I do have a water leak into the front passenger seat; but this is happening even if the water leak isn't happening. The windows all fog up and I end up getting water in the rear footwells. This is causing mildew problems, I'm able to clean it out; but its still annoying.
Any ideas what could be happening here? The windows all seal tight; but it seems like the moist air is getting into the car somehow. Could it be the AC system?
I've got some desiccate packs in there and I towel out the moisture from the windows; but that's just treating the problem not fixing it.
Anonymous
9/29/2025, 3:02:28 AM
No.28646663
>>28646760
>>28646650
Sounds like a seal issue, especially if water is pooling somewhere. Check the rubber seals around all your windows, trunk, and doors. Does the rubber look good? I had similar issues with my Legacy during monsoon season and it was just because the Arizona sun baked the rubber over the years and made it all brittle.
Anonymous
9/29/2025, 3:59:04 AM
No.28646725
>>28639993
>They aren't really a "real offroader" feature. They are actually a fuel saving highway feature.
This.
I leave mine locked most of the time. The wear on the front end components is negligible, since with the diff in 2WD, I'm not putting any load on the components. And I'm slopping lube around and keeping the bearings and Birfields rotating. So the little bit of wear will be evenly distributed. I only unlock them for major highway trips. The front diff is going to outlast the rear diff by many times.
1979 FJ-40
Anonymous
9/29/2025, 4:21:27 AM
No.28646760
>>28646663
>Sounds like a seal issue, especially if water is pooling somewhere. Check the rubber seals around all your windows, trunk, and doors. Does the rubber look good?
The rubber seals seem good not dry at all. Although the car does sit outside and get leaves and the like on it. I noticed earlier that the door drain holes had like a plastic tape over them for some reason. I figured that might be backing water into the car so I took the plastic off and the doors seem to drain better; but I still notice the condensation when its wet outside.
It seems like the condensation will form even if there isn't a lot of rain that could be getting into the car. Which is making me wonder if it not just moist air getting in the car and if so where it could be getting in.
Anonymous
9/29/2025, 4:38:03 AM
No.28646801
>>28651944
>>28646650
your evaporator drains and/or cowl drains are clogged and water is sitting there pooled 24/7. i would fix it asap, on most cars the evap drain can be blown out with an air compressor, the cowl drain usually involves taking the cowl cover off, cleaning the leaves and goop out, then blowing the drains with air and running clean water through them
Anonymous
9/29/2025, 7:34:56 AM
No.28647010
a previous owner (poorly) welded this shit onto the frame to do a SUA conversion on my samurai
What would be the best way to cut off the extensions but keep the springs under the axles? I would just redo the welds and keep it as is, but the bumper normally mounts right there so I'd rather redo it a bit better. Could I just get massively long leaf shackles and mount them further back?
Anonymous
9/29/2025, 9:21:59 AM
No.28647088
>>28639795
New cars have an automatic "rev up" feature as you release the clutch pedal it will raise the rpms for you some so unless you are loaded down heavy you dont need to give it gas to start rolling.
This is a feature.
If you have driven a stick car before this became a thing it is quite jarring and annoying but i can see for you it wont be.
Anonymous
9/29/2025, 9:28:35 AM
No.28647096
>>28647131
>>28646395
The actuators are a common ford problem for all their cars.
They aint expensive but you have like a 50/50 shot of the one thats bad being in a really bad spot requiring alot of work to get to.
Anonymous
9/29/2025, 10:14:02 AM
No.28647131
>>28647096
It's loudest on the easier passenger side but I'll probably just do both sides anyway. Supposedly accessing them isn't too bad if you get a ratchet bit or one of those little thumb screwdrivers. I just pray the center mixer for hot/cold doesn't break because then you have to pull the dash.
Anonymous
9/29/2025, 10:26:05 AM
No.28647139
>>28647580
>>28646311
H>ow many psi off from what the manual says can your tires be before it becomes a problem?
Depends on where and how you drive (and how much load you carry obviously). It's normal to get tires down to 5 psi off road, but you have to be really careful driving like that.
>Also what's the maximum normal amount of pressure loss over time for tires?
About zero, but you have to account for temperature changes.
Anonymous
9/29/2025, 10:28:47 AM
No.28647141
>>28644787
it might not be totally necessary but it will never hurt.
Anonymous
9/29/2025, 11:57:16 AM
No.28647176
>>28647225
>>28648246
Today is my first day at a new job working as a mechanic. I've only ever wrenched at home on my car and my parents' cars.
What am I in for?
Anonymous
9/29/2025, 1:19:32 PM
No.28647225
>>28647254
>>28647176
Hating wrenching
Anonymous
9/29/2025, 1:40:59 PM
No.28647254
>>28647225
I mean, I've never really liked any of my jobs. I've worked in electronics for most of the last 15 years.
I have the mind for wrenching, I just don't have the formal training for it. I'm mechanically inclined, comfortable with tools, and able to figure most things out as far as how they go together and how they work.
I've managed to do a fair amount of work on cars over the years. My first major job was a full suspension replacement. Since then, I've also replaced my AC compressor, exhaust, control arms, tie rod ends, coolant and transmission fluid, brakes and parking brake spring replacement, plus other shit I can't think of offhand.
Anonymous
9/29/2025, 6:59:57 PM
No.28647574
>>28648141
Looking at getting whitewall tires for my car but no local shops sell them so I've looked online.
Stock tires are 205 65 15 But I can only find 205 70 15 in the white wall. Other than the slight change of speedometer there shouldn't be any issues right? I'm assuming mechanics are not too worried about putting on slightly larger profile tires on a car and I'm pretty sure its within the legal parameters.
Anonymous
9/29/2025, 7:03:47 PM
No.28647580
>>28646410
My shitbox doesn't have TPM sensors.
>>28647139
I just drive to and from work 4 days a week, it's like a 15 minute drive and 80% of it is highway. I think I see like one psi down every other week, I hadn't been really paying attention just checking and topping up when needed until it occurred to me it might be happening too often. It might be the tires, they're kinda old and a bit dry rotted, on the other hand temperature's been going down significantly these past two weeks.
So I made a BIG OOPS and jumped my gfs car with the terminals in the opposite position... caught it after only 30 seconds or so when I noticed the a little smoke coming off the wires and ripped them off just as the wire coating started melting off.
I ended up replacing her car battery and not everything works except her AC fans won't blow. I don't know if the heater/AC compressor (?) is working or not but when I turn on the AC I can hear a change in engine sound as if its applying power to those components, but still zero fan movement.
I'm going to check the fuses with a multimeter but assuming those are working, what would likely be the next step? Her car does have a distinct smell of molten plastic on the inside.. I fear something else has melted under the dash.
pic related my cables
Anonymous
9/29/2025, 9:29:02 PM
No.28647782
>>28647583
>only 30 seconds
Idk, 30 seconds sounds like a very long time for something like this.
>Her car does have a distinct smell of molten plastic on the inside..
Molten wiring probably, doesn't necessarily have to be under the dash.
>what would likely be the next step?
If you think [thing] isn't working due to an electric issue, and you've already ruled out a blown fuse, you read the service manual for the car to find out how to check if [thing] is getting electricity, and if it is then you read on to find out how to check if [thing] is broken or not.
Anonymous
9/30/2025, 2:03:46 AM
No.28648141
>>28647574
i've never had a shop tell me no to installing tires on anything that wasn't a split rim.
i always take my wheels off the vehicle and drive them to the tire shop with the new tires in hand, not a chance i'm letting those monkeys touch one of my cars.
Anonymous
9/30/2025, 2:05:26 AM
No.28648145
>>28647583
get a wiring diagram, check for voltage at the fans and work your way backwards until you find the problem. my money is on a fuse you haven't found yet, a fusible link, or the fan relay.
Anonymous
9/30/2025, 3:18:00 AM
No.28648246
>>28647176
customers are often as dumb as a post, and a surprising amount never maintain their cars beyond putting gas in it. these same customers value your labor the same as the guy bagging their groceries at kroger
its a fun job if you can manage a fleet where you do all the maintenance yourself, or if you work with a bunch of buddies or on something special. Iβd hate to be someone that deals with the general public on a regular basis
Anonymous
9/30/2025, 11:54:22 AM
No.28648719
>>28648724
>>28657286
Would putting premium gas in a car that runs on normal and that burns oil helps the situation at all or no?
Anonymous
9/30/2025, 12:11:01 PM
No.28648724
>>28648719
No. If the car is not made to take premium you're just wasting your money, if it's explicitly made to take both then premium will increase performance a bit but will not fix any issues. If it's burning oil then it's most likely a cracked head gasket.
Anonymous
9/30/2025, 1:53:10 PM
No.28648801
>>28647583
>30 seconds having batteries hooked up backwards
Anonymous
9/30/2025, 3:45:27 PM
No.28648937
LISTEN THE FUCK UP
NISSAN KING CAB D22 -99 WITH ABS
THERE'S 4WAY CONNECTOR AT THE PASSENGER SIDE WHEEL
AT THE REAR THERE'S THE LSV SHIT WITH 3 SLOTS FOR BRAKE LINES (F,R AND ARROW I THINK)
THE TOP ONE FROM THE CONNECTOR GOES TO WHICH SLOT?
THE BOTTOM FOR WHICH? AND THE LAST ONE FREE GOES TO REAR BRAKES?
the lines and lsv were removed before i got this pos
also the pedal goes to floor and flashes brake light when you press it
new master, front/rear calipers, booster works, vacuum works, ABS shows no codes
been trying to get this shit to work for couple months now, pls halp
Someone I don't understand about modern aerodynamic door handles.
When you are not about to open a door, they are flush with the exterior of the vehicle. This makes the whole car shape more aerodynamic, which helps with mileage. If you want to open a door, an electric motor makes them protrude a bit.
Question: would it make more sense for the door handles to always protrude a bit, and only get flush with the body panels one you go faster than, say, 30mph? What's the point of the car being aerodynamic when it's not moving?
Anonymous
9/30/2025, 7:19:45 PM
No.28649261
>>28650430
>>28649250
flush looks cooler and is probably slightly harder to steal
Anonymous
9/30/2025, 9:09:02 PM
No.28649505
>>28649250
the aerodynamics of a door handle are so fucking negligible that any claim that it's the reason why companies have the faggot ass electric handles are just lying to you.
>muh aero!!
is the same level of marketing buzzword bullshit as tactical or military/ aircraft grade.
Or do you genuinely believe that this little cavity is causing a significant amount of drag?
>>28639356 (OP)
I learned to drive this year. I am going to finance a lifted truck similar to pic rel, and daily drive her. Is this a good idea?
Anonymous
9/30/2025, 11:27:25 PM
No.28649721
>>28649250
it's a useless shitty gimmick designed to make the car harder to maintain and more disposable.
Anonymous
9/30/2025, 11:28:25 PM
No.28649722
>>28649764
>>28649613
no, buy a car you can afford with cash.
Anonymous
9/30/2025, 11:46:58 PM
No.28649764
>>28649882
>>28649722
>This.
I paid cash for my car back in May 2021. 4.5 years of no car payments and no interest has saved me a ton of money.
Anonymous
10/1/2025, 1:14:50 AM
No.28649882
>>28650007
>>28649764
what did it cost?
Anonymous
10/1/2025, 3:00:13 AM
No.28650007
>>28649882
Just over $10k.
Anonymous
10/1/2025, 11:44:10 AM
No.28650430
>>28649261
>thinking door handles have something to do with stealing
It's not 1930 anymore
Anonymous
10/1/2025, 11:48:50 AM
No.28650431
>>28651180
>>28649613
>big truck as a first vehicle
Actually good, this way you will actually learn how to drive. Driving smaller cars would be piss easy after that. Get an older one with fewer driver aides.
>finance
Are you black?
>lifted
Learn with a closer to stock one first, then mod it yourself to your liking with understanding of what you are doing. This way you don't end up mallcrawling.
Anonymous
10/1/2025, 3:25:46 PM
No.28650559
>>28649613
as a forewarning these things get literal dogshit mileage. i had a 6.4 2500 ram and it got like 13mpg highway on a good day. with the bigass 35 gal gas tank it cost over $100 to fill up. adding a lift + mud tires is only certain to make that go down
in my opinion if you wont regularly use the extra utility get a half ton instead of a 3/4 ton. it will do all the same things with better fuel efficiency and be more maneuverable.
Best car that fits these characteristics?
>made in japan
>very small (coupe preferred)
>available used, in manual transmission, for under 10k USD
Anonymous
10/1/2025, 3:46:21 PM
No.28650573
>>28650604
>>28650568
Made in japan as in jdm, or made in japan as in just any Japanese car brand?
Anonymous
10/1/2025, 4:11:19 PM
No.28650604
>>28650573
Just any Japanese car brand I guess
Anonymous
10/1/2025, 5:22:17 PM
No.28650684
Anonymous
10/1/2025, 7:35:26 PM
No.28650810
Anonymous
10/1/2025, 8:22:29 PM
No.28650851
>>28650865
>>28650568
>very small
how small are we talking?
kei car sized like a honda beat or suzuki cappuccino?
small like a miata?
small like an impreza?
Because to me it sounds like
Miata
Is
Always
The
Answer
Anonymous
10/1/2025, 8:33:21 PM
No.28650865
>>28650884
>>28650851
I don't want a kei car like a cappucino.
Miata size would be nice but I want something fully enclosed (not a convertible)
Anonymous
10/1/2025, 8:50:24 PM
No.28650884
>>28650865
gt86/frs/brz then.
whatever S chassis if you want something older
Anonymous
10/1/2025, 11:29:07 PM
No.28651180
>>28651268
>>28657289
>>28650431
>finance
People don't really have $40k (low estimate for an already-built used 2500 truck) in cash lying around
Anonymous
10/1/2025, 11:59:02 PM
No.28651228
I have tan leather seats and my jeans keep on staining them black. It wipes off with armorall wipes but is obnoxious, is there any coating which would prevent this?
Anonymous
10/2/2025, 12:05:37 AM
No.28651236
>>28649250
Its something electronic that will inevitably fail , require 2+ hours of labor to repair and the motor costs ~$300 to replace. Now multiply that by 4.
Its a cool feature if you're going to lease a car or sell it after <8 years. But god help you if you're buying a used car with those handles.
Anonymous
10/2/2025, 12:21:39 AM
No.28651268
>>28651643
>>28651180
Don't have lying around or just don't have?
>financing a used truck
Anonymous
10/2/2025, 1:29:08 AM
No.28651390
>>28652296
dropped the pan on my transmission to change the fluid and filter, when I went to put it back together I couldn't find one of the magnets. with 3 out of 4 in the pan + the drain plug, I should still be ok right?
Anonymous
10/2/2025, 3:40:50 AM
No.28651567
>>28651580
Anything i should know before replacing my car ECU?
Anonymous
10/2/2025, 3:58:16 AM
No.28651580
>>28651567
this is a retarded question to ask without providing what your car is, and chances are you'll have to reprogram it to your current vehicle
Anonymous
10/2/2025, 4:38:35 AM
No.28651611
>>28651874
>>28651931
can someone explain center locking differentials to me.
AIUI they're a different path to the same goal as a transfer case in a 4x4, guaranteeing equal power to the front and rear wheels
but then why do some 4x4s, like the g wagen, have both a transfer case and a center locking differential?
Anonymous
10/2/2025, 5:08:13 AM
No.28651643
>>28651936
>>28651268
A new truck would be $70k or more
Anonymous
10/2/2025, 5:20:48 AM
No.28651656
Is sanding then a clear coat in a spray can an actual short term fix for clear coat oxidation?
Anonymous
10/2/2025, 5:34:08 AM
No.28651676
>>28651784
Got a 94 Chevy S10 Blazer 4x4 with a slipping transmission. Goes into third and immediately no power goes to the wheels. After checking the condition of the fluid (its good) what's the next step(s) to diagnose the issue?
Anonymous
10/2/2025, 7:32:17 AM
No.28651784
>>28651796
>>28651676
Common 4L60E issue. Just replace the trans. They're not very expensive. Use car-part.com. Or just bring it to a mechanic and they'll know what to do.
Anonymous
10/2/2025, 7:41:30 AM
No.28651796
>>28652055
>>28651784
I figured on having to do that anyway. I suppose I could just tear the old transmission apart and inspect it that way.
Could a 4L80E fit/are there adapter kits for it?
Anonymous
10/2/2025, 10:19:36 AM
No.28651874
>>28651611
>but then why do some 4x4s, like the g wagen, have both a transfer case and a center locking differential?
A lot of transfer cases have them, it helps delivering more traction to the wheels. With a locked center differential (or if you don't have any) you essentially can't turn normally (since front and rear driveshafts are forced to rotate at the same speed), some wheels have to slip, ruining traction. It's better to avoid that while you can, so having a center differential that could be fully locked by the driver is beneficial. There are other types like self-locking center diffs, LSDs, or clutch plates with slipping controlled by some electronic or hydraulic system, but those are less desirable.
Anonymous
10/2/2025, 10:20:55 AM
No.28651876
>clutch plates
meant to say clutch packs
Anonymous
10/2/2025, 12:24:23 PM
No.28651931
>>28651611
>guaranteeing equal power to the front and rear wheels
This isn't universally correct by the way, since a lot of the center diffs are non-symmetrical: they transfer like 65% of torque to the rear and 35% to the front, and power is RPMs times torque, so at equal RPMs you get less power to the front. 35:65 is the most popular ratio afaik, but some notably are 50:50 (symmetrical).
Anonymous
10/2/2025, 12:30:33 PM
No.28651936
>>28651643
So? Financing something used in, let's be honest, an unknown condition and out of warranty isn't the best financial decision, it's probably one of the worst. Especially if the buyer is total newfag to all this.
There was someone still owning about ten grand to the bank with an Italian Grand Cherokee that shat itself (with significant help from its owner, shops quoted more then ten in repairs) in the recent thread.
Anonymous
10/2/2025, 12:42:41 PM
No.28651944
>>28652298
>>28657365
>>28646650
>>28646801
>your evaporator drains and/or cowl drains are clogged and water is sitting there pooled 24/7.
That makes sense. The car is parked under a tree and leaves are falling on it all the time.
Is there anything I can do to keep this from happening again short of building a garage?
Anonymous
10/2/2025, 1:34:32 PM
No.28651974
>>28651996
>>28652301
I need to change a fuse in a car for the first time, does the current stop flowing immediately on a shut down or does the car need time to drain some leftover charge?
Anonymous
10/2/2025, 1:57:55 PM
No.28651996
>>28651974
It's a fuse not a capacitor. if you want to be extra cautious disconnect the negative battery cable before swapping it out
Anonymous
10/2/2025, 2:26:51 PM
No.28652055
>>28651796
I believe they're different length so it's not a straightforward swap
Anonymous
10/2/2025, 6:19:42 PM
No.28652296
>>28651390
probably but magnets are cheap and readily available, why not just replace it? also make sure it didn't stick inside your valve body or somewhere that it could damage something.
Anonymous
10/2/2025, 6:21:20 PM
No.28652298
>>28651944
not really unless you want to mess with a car cover every time you park. just take it apart and inspect/clean it out annually.
Anonymous
10/2/2025, 6:22:21 PM
No.28652301
>>28651974
just pull it, it can't shock you or anything, 12v isn't like house electricity
Anonymous
10/3/2025, 12:53:03 AM
No.28652875
>>28654284
>>28657125
>>28639356 (OP)
I have a 150cc chinese scooter and the seat is really uncomfortable to sit on and the ridge on it forces me to sit too far forward on it.
What can i do about this?
Where can i buy a different design seat for it?
I search amazon and ebay but only come up with replacement seats in same style.
I'm really into tiny cars right now. I believe the proper term is subcompact car. I've driven a 2010 Honda Fit and a 2023 Kia Picanto, both as rentals. I liked the way they drive, and now I really want one myself.
I want one that's reliable (or as reliable as they can be). I plan on buying one new, so a 2025 or 2026 model. I obviously can't buy a new Honda Fit, as they don't make them for the North American market anymore. I'm not totally married to the idea of EVs, so fossil fuels are not only okay, but expected & encouraged.
With that in mind, what would you recommend?
Anonymous
10/3/2025, 3:58:55 AM
No.28653097
>>28653085
There's not much left in that segment in North America. Honestly I'd tell you to get a used Honda Fit, a Toyota Yaris or a Scion Xa, Xb, or Xd.
Anonymous
10/3/2025, 4:30:25 AM
No.28653138
>>28653085
I don't think there are any US subcompacts outside the (discontinued last year) Mitsubishi Mirage and maybe the Nissan Versa (but that might just be a compact).
Ford Fiestas can be found in manual for like $7-10k and under 100k miles, also autos but that's a gamble given the class action replacement period is over.
Whats the best jack to keep in your car when changing flat tires on the road?
My car is used and doesn't have the scissor jack.
Im looking at a bottle jack or aluminum jack both from harbor freight and other options
Anonymous
10/3/2025, 6:13:37 AM
No.28653234
>>28653224
interested in this too as i've got a bumper jack but these are apparently really sketchy
Anonymous
10/3/2025, 6:35:45 AM
No.28653253
I don't have a question but I just wanted to bitch about having Costco put new tires on last Saturday and then having to get them rebalanced because they fucked it up. I'm convinced they just took the old tires off, put the new ones on and said 'yep looks good to me if there's a problem he'll call' without balancing them. Every single one was way far off.
Anonymous
10/3/2025, 7:36:59 AM
No.28653309
>>28653224
Almost anything is better than the scissor jack. Bottle jack if it needs to be compact, but by all means get the aluminum jack if space is not an issue.
More than anything else, I would get the longest toughest breaker bar you're willing to keep in your trunk, along with a heavy-duty socket for your lug nuts. Because fuck tire irons.
Anonymous
10/3/2025, 8:22:29 AM
No.28653345
Is there any way I can test a used ABS pump before install and bleeding brakes? I can only get used for my cars due to age. And one of them needs a pump.
Anonymous
10/3/2025, 10:36:48 PM
No.28654284
>>28652875
make one. piece of plywood, foam on top, vinyl covering.
Is there such a thing as a portable car vacuum cleaner that isn't shit?
Anonymous
10/4/2025, 5:08:34 PM
No.28655552
Anonymous
10/4/2025, 7:33:05 PM
No.28655745
>>28656104
My brakes sometimes make clanking noises and on very rare occasions it feels like it's catching something and grinding during a slow turn. What could be the cause? otherwise they work perfectly fine
Anonymous
10/5/2025, 12:00:50 AM
No.28656103
>>28655531
no, a powerful motor takes a lot of power which a car can't easily supply
Anonymous
10/5/2025, 12:02:02 AM
No.28656104
>>28655745
might be missing one or more anti-rattle clips, might be pads falling apart, might be worn out. take them apart and see.
>>28639356 (OP)
I've got a stain on my car's carpet. Would renting one of those carpet washers from my local grocery store do the job?
Anonymous
10/5/2025, 3:47:20 AM
No.28656380
Whats the meme with checkered floor mats?
Anonymous
10/5/2025, 5:01:08 AM
No.28656481
>>28656686
>>28656947
>>28639356 (OP)
Does anyone here have experience in diy'ing TPM sensor replacement? Mine are bad and I've been thinking about doing it myself instead of going to a shop.
My plan was to buy a tire bar and a couple of large c-clamps, break the bead, then placing the C clamps to the sides of the TPMS, clamp the tire just enough to gain access to the sensor and replace it. Would this be a good plan? And would a basic tire inflator be good enough to reseat the bead?
Anonymous
10/5/2025, 8:30:34 AM
No.28656686
>>28656481
>And would a basic tire inflator be good enough to reseat the bead?
Probably not (you need really a lot of volume per second for that), but you could always resort to flammable spray tricks to fuck up your poor tire even more.
But investing in a better air compressor is always a good thing. I personally recommed ViAir and their lookalikes.
Anonymous
10/5/2025, 9:06:01 AM
No.28656716
>>28656363
You have a car. Buy a Bissell.
Anonymous
10/5/2025, 10:33:40 AM
No.28656763
>>28656363
Not that I give a shit about stains on my carpet, but this is what I would do:
>get a bucket of hot soapy water and a scrub brush
>scrub stain
>vacuum area with wet/dry vac
Anonymous
10/5/2025, 3:33:31 PM
No.28656947
>>28656481
they're fun to diy. i can't comment if that c-clamp method would work, i have a harbor freight tire changer (it was like $50 but has to mount to a concrete floor) and it works good for breaking the bead. you will definitely need a full size air compressor, 20 gallons+, i get the best results when I take the schrader valve out then give it the beans. an air compressor is very very useful if you diy, i use mine weekly and they basically last forever, i bought mine in 1998 at walmart.
Anonymous
10/5/2025, 5:31:37 PM
No.28657073
>>28657079
>>28657116
My truck's frame is starting to get rusty. What can I spray it with to help that?
Anonymous
10/5/2025, 5:38:01 PM
No.28657079
>>28657115
>>28657073
Spray it with Rust-Oleum
Anonymous
10/5/2025, 6:13:10 PM
No.28657115
>>28657121
>>28657079
>Rust-Oleum
They have like a bunch of products, anything specific?
Anonymous
10/5/2025, 6:13:52 PM
No.28657116
>>28657879
>>28657073
use a hose to wash out the inside really well, that's where it collects dirt and salt that makes it really rust
once that's done fill it inside and out in every nook and cranny with fluid film every fall.
Anonymous
10/5/2025, 6:14:49 PM
No.28657120
>>28653224
I have a full hydraulic shop lift in my car
Anonymous
10/5/2025, 6:14:53 PM
No.28657121
>>28657135
>>28657115
don't use rustoleum, it does nothing against road salt
Anonymous
10/5/2025, 6:17:56 PM
No.28657125
>>28657375
>>28652875
Honestly just buy a new scooter
Anonymous
10/5/2025, 6:19:00 PM
No.28657127
Anonymous
10/5/2025, 6:27:58 PM
No.28657135
>>28657879
>>28657121
Then what should I use?
Anonymous
10/5/2025, 6:33:40 PM
No.28657141
>>28657160
What Linux software is used for reading/clearing OBD2 codes?
Anonymous
10/5/2025, 6:57:22 PM
No.28657160
>>28658356
>>28657141
CAN-utils. But, OBD readers are like $40 you know. And you can't reprogram anything or run oem locked reprogram / diagnostic scans without the loicense unless someone has cracked them which is a whole nother question / topic.
why shouldn't I get an electric truck as a daily driver and weekend hauler/occasional tower?
Anonymous
10/5/2025, 8:14:45 PM
No.28657248
>>28657251
>>28657247
follow up, which EV truck has the cleanest and arguably the best thermal management?
Anonymous
10/5/2025, 8:15:46 PM
No.28657251
Anonymous
10/5/2025, 8:30:47 PM
No.28657270
>>28640390
Just look at the tire 5 minutes later and see if itβs flat.
Anonymous
10/5/2025, 8:36:25 PM
No.28657276
>>28642556
Just read any book about race car suspension.
Probably all you need to know is put the biggest rear sway bar on and some coilovers from a reputable company.
Anonymous
10/5/2025, 8:46:55 PM
No.28657286
>>28648719
Nope
Try some injector cleaner like lucus and valvoline restore & protect. On newer cars burning oil is usually from carbines up piston rings. On older cars itβs usually old valve guides, which thereβs nothing you can do about it besides replace them.
Anonymous
10/5/2025, 8:49:45 PM
No.28657289
>>28651180
Donβt spend $40k on a first vehicle.
Anonymous
10/5/2025, 8:54:44 PM
No.28657293
>>28656363
You probably donβt even need to do that. Just buy a bottle of car carpet cleaner, works great in my experience.
Anonymous
10/5/2025, 9:13:49 PM
No.28657318
>>28657360
>>28661311
>>28655531
M18 packout shop vac or the M18 compact vacuum, use a minimum of a 8.0 battery
Anonymous
10/5/2025, 9:19:24 PM
No.28657325
>>28641264
Enkei isn't rice dumbass, go back to /n/
Anonymous
10/5/2025, 9:29:01 PM
No.28657347
>>28658356
>>28639356 (OP)
Got an idiotic question for sure
got a bmw with an N47
is there a company that for some reason made an aftermarket metal intake manifold to replace the factory plastic one.
Anonymous
10/5/2025, 9:36:19 PM
No.28657360
>>28657318
>M18 compact vacuum
M18 FUEL compact vacuum
Anonymous
10/5/2025, 9:38:53 PM
No.28657365
>>28651944
car ports are a lot easier to erect than a garage
Anonymous
10/5/2025, 9:42:01 PM
No.28657375
>>28658356
>>28657125
I think i will have to, it has alot of forward rake from the factory and swapping out the rear shock for a shorter one wont eliminate that.
It was fine driving it for 15-20 minutes but any longer trips will be accompanied by constant shuffling around on the seat and its a distraction i dont need at 50+mph.
Maybe ill check out those maxi scooters and see how they feel.
Anonymous
10/5/2025, 10:04:28 PM
No.28657425
>>28657438
>>28657547
When chrisfix says to use soapy water what kind of soap do I use, dish soap? Also is there a specific ratio of soap to water or just enough that it makes bubbles?
Anonymous
10/5/2025, 10:09:50 PM
No.28657438
>>28658611
>>28657425
What are you trying to do, clean your engine bay?
Anonymous
10/6/2025, 12:00:47 AM
No.28657547
>>28658611
>>28657425
Yes, dish soap. As far as ratio goes it kinda depends. For wet sanding and finding leaks, you dont need much more than a few drops of soap. For cleaning, you can use more. Depends how much grease and gunk you're trying to remove.
Anonymous
10/6/2025, 4:06:45 AM
No.28657852
>>28657883
>>28657928
So my girlfriend's car is leaking coolant and oil, I'm pretty sure the oil is coming from the head gasket or whatever because the engine has over heated so many times. The cars fucked and not worth fixing, but my question is this: could it pass an emissions test?
Anonymous
10/6/2025, 4:30:07 AM
No.28657879
>>28658356
Anonymous
10/6/2025, 4:31:56 AM
No.28657883
>>28657894
>>28661311
>>28657852
emissions probably yes unless it's burning significant oil or the check engine light is on.
Anonymous
10/6/2025, 4:41:22 AM
No.28657894
>>28657906
>>28657883
If the oil leaks out and burns on the hot engine, does that end up in the emissions somehow?
Anonymous
10/6/2025, 4:46:57 AM
No.28657906
>>28657912
>>28657894
no, only if it's leaking into the cylinders and getting burned with the fuel, you'd have blue smoke coming out the tailpipe if that were the case. if it's just leaking onto the exhaust or onto the ground you're fine
Anonymous
10/6/2025, 4:52:00 AM
No.28657912
Anonymous
10/6/2025, 5:01:25 AM
No.28657928
>>28659521
>>28657852
Not sure what state you're in, but in Illinois emissions tests just check to see if your check engine light is on, assuming your car is new enough to support OBD II which is anything from the mid 90s on
Anonymous
10/6/2025, 6:02:22 AM
No.28658022
>>28659540
I've seen lots of posts about how 350Z's and 370Z's are pigfat but I never understood what about their designs make them overweight. They didn't have any AWD/hybrid systems/rear seats to weigh them down, so what gives?
>08 Crown Vic P71, 72k miles
>hearing a swish-swish-swish noise from the rear, clearly audible inside the car when passing concrete walls and driving down the road, it sounds rotational and uneven
>loud clunk from the rear when reversing in the driveway over bumps
Iβm assuming this is either a bent axle or hopefully just a bad axle bearing. Have you guys had experience with these cheap Ford rear ends, and am I on the right track?
2025 Kia K5 GT w/ GT1 Package MSRP $39,500 + $1,850 rebate = $37,650
2026 Honda Civic Sport Hybrid Touring MSRP $35,150 + potential rebate = $35,150
Test drove both of them.
Kia K5 GT:
I immediately enjoyed and had fun in.
Sporty, has all the bells and whistles.
Was the only car that put somewhat of a smile on my face.
Only downside was the dealerships. Had a terrible experience with them which ended up with two salesmen from different locations but under the same ownership competing to secure a deal with me which ultimately ended in both salesmen backing out of the deal once the sales manager found out and effectively blamed me for price shopping (unknowingly) umbrella dealerships. Sales manager basically told me in a kind way to "Fuck off and go to the dealership that sent you here and work with them, we don't want to work with you." I would have bought the car day one if they simply removed the $1,300 fee for the Theft Protection Tracker when I asked. They did wave it the next day right before they both backed out on the deal though. And before you suggest, no, I cannot simply go to another KIA dealership because I live on an island.
Honda Civic Sport:
Great gas mileage.
Hatchback, so if I actually need to fit something of size into the car, I can.
Was only in the dealership for maybe 30 minutes tops, not including the test drive. Overall better dealer experience, actually seemed knowledgeable about the car and didn't really try to pressure me.
Downside was the driving experience, technology and what you get for being similarly priced. Overall just felt pretty meh. I don't want to spend this much money on a car that makes me go "meh". If I were to get the Honda, I'd want to change out the wheels to the black Sport version, looks much better but that'd be an extra $1,600.
There aren't really many options at this price range as far as I know that offer a sporty driving experience.
Any suggestions?
picrel
Who has right of way in 2nd pic, blue or pink?
10k hours in paint.
Anonymous
10/6/2025, 12:35:14 PM
No.28658284
>>28658295
>>28658274
Blue because pink is merging in. There really should be some signalling telling pink to yield.
Anonymous
10/6/2025, 12:51:25 PM
No.28658293
>>28658301
>>28658356
>>28658217
>Any suggestions?
Get the Honda. Kias don't last.
Beyond that I'd suggest that you could get a lightly used Lexus IS which would be considerably more fun to drive with RWD and a more powerful engine for less than you'd spend on a new Civic or Kia.
Anonymous
10/6/2025, 12:53:15 PM
No.28658295
>>28658327
>>28658358
>>28658284
No, blue is cutting across a lane of traffic and needs to yield to straight and right-turning traffic.
Anonymous
10/6/2025, 1:00:31 PM
No.28658301
>>28658312
>>28658356
>>28658217
>>28658293
For example. Here's a 2022 Lexus Is 350 F Sport with 15,000 miles on it. for $35,750. It has RWD, a 300+ horsepower V6 and luxury options for less than you'd pay for a new Civic.
https://www.carsforsale.com/vehicle/details/116748233#
Its already had the depreciation hit from not being new; but its practically new and being a Lexus it should be reliable past 200,000 miles so it has a ton of life left in it and if you decide to sell it you won't get screwed on depreciation the way you would with a brand new car.
This is the sort of car I'd be telling you to look for in that price range. New cars are for chumps.
>>28658301
>KIAs don't last
My mom has been daily driving her 2018 Optima of Uber and has about 110k+ miles and has not had a single issue with her vehicle outside of the passenger's seat belt being kind of wonky to lock in.
I'll check around and see if there are any of those Lexus's anywhere but just from the photo, I don't like the interior at all. And the last time I bought a used car albeit a Grand Cherokee, the head gasket blew at only 68k miles. I bought it at 30k.
What do you think about Hyundai Elantra N?
Anonymous
10/6/2025, 1:36:04 PM
No.28658327
>>28658358
>>28662059
>>28658295
That's only within the intersection, in the scenario shown blue is already exiting the intersection and on his lane, so he's got right of way.
Anonymous
10/6/2025, 1:56:26 PM
No.28658346
>>28662059
>>28658312
>What do you think about Hyundai Elantra N?
Hyundai's and Kias are basically the same. I don't trust them. They tend to die before 150,000 miles which isn't very good. I'm glad your mom has had good luck with hers; but I do think she's gotten lucky.
If you want something entertaining in a sedan I'd steer you towards RWD. In newer sedans that generally means Lexus, Cadillac or BMW. Of the three Lexus is the most reliable.
>I don't like the interior at all.
Yeah, I'm not a fan of bright red either; but they come in more sedate colors.
Anonymous
10/6/2025, 2:07:48 PM
No.28658356
>>28658655
>>28657879
Gracias amigo, I will do that next weekend
>>28657375
I actually love China and Chinese products, but even I wouldn't buy a Chinese scooter.
>>28657347
I think yes they do make em, but I might have heard (not sure if your specific BMW model or not) that you actually want the plastic one rather than the metal one. Swapping it for metal could cause other unforeseen problems, because the Germans engineered it to work with plastic.
>>28657160
I'm having a bit of trouble compiling and making these programs. They seem to be optimized for a different CPU architecture (i386) rather than my x86/64. I'll move past this hurdle-- just gotta dust off my programming hat. I think most of these utilities are designed to be run on a Pi or an Arduino.
>>28658217
>>28658293
>>28658301
>>28658312
Hondas are built way better than KIAs, end of story. If you care about bells and whistles, go for the KIA. If you care about build quality, go for the Honda. If you disagree, your opinion is not based on real facts.
>>28658274
In USA, pink because right turn always has right of way over left turn. Green arrow turning right supercedes green circle turning left, unless pink has an explicit yield sign. Other anon is an idiot.
Anonymous
10/6/2025, 2:09:55 PM
No.28658358
>>28658295
>>28658327
You're both terrible drivers for not realizing pink has right of way, but also that intersection is retarded as well, because it's too complicated for low IQ goblins to comprehend right of way
Anonymous
10/6/2025, 2:56:44 PM
No.28658392
>>28658142
from the description i'd check your brakes (swish sound) and check for a worn/loose shock or bushing (clunking over bumps). doesn't really sound like an axle problem
Anonymous
10/6/2025, 2:58:23 PM
No.28658394
>>28658684
>>28658274
i've never seen an intersection like this where there wasn't a yield sign on the right turn
Anonymous
10/6/2025, 6:28:27 PM
No.28658611
>>28657438
Interior, though the engine bay could use some cleaning too.
>>28657547
I see, thanks anon.
Anonymous
10/6/2025, 6:47:39 PM
No.28658635
>>28658217
Just wait for the K4 hatchback comes nah out early next year.
>but the KIA dealer
leave the island. Unless youβre on Bermuda or some shit.
Anonymous
10/6/2025, 6:49:04 PM
No.28658638
>>28658717
>>28658274
Blue. Red yields to green. Slip lane doesnβt change that.
Anonymous
10/6/2025, 6:53:03 PM
No.28658642
>>28662059
>>28658312
Donβt listen to the memes about gook cars. Iβve had two over 200k (still have one). As they age the interior stuff doesnβt hold up as well as Honda/toyota, but the powertrains hold up just as well. Besides the years with issues obviously.
Anonymous
10/6/2025, 6:59:16 PM
No.28658655
>>28659164
>>28658356
>because the Germans engineered it to work with plastic
possible
but since i wanna make my bmw my forever car i wanna replace most plastics before they turn back into oil with metal parts
Anonymous
10/6/2025, 7:02:25 PM
No.28658657
Anonymous
10/6/2025, 7:24:52 PM
No.28658684
>>28658691
>>28658717
>>28658274
>arrow vs round green light
Depends on the country which one has to yield and which one doesn't.
>>28658394
Usually functioning traffic lights negate all yield signs, those are for when the lights don't work or don't signal.
Anonymous
10/6/2025, 7:28:59 PM
No.28658691
>>28658694
>>28658684
>Usually functioning traffic lights negate all yield signs,
this is the opposite of reality, the yield sign overrides the stop light, if you have a yield sign you don't have to stop even if the light is red.
Anonymous
10/6/2025, 7:35:12 PM
No.28658694
>>28658707
Anonymous
10/6/2025, 7:47:12 PM
No.28658707
>>28658694
USA, when it is a separate merging lane like the picture
Anonymous
10/6/2025, 7:57:25 PM
No.28658717
>>28658638
>>28658684
I think the red light is supposed to be for cars coming into the intersection from the right lane, not for cars exiting it. Otherwise it would make no sense to even ask this question when one car has a red light and the other a green light.
Anonymous
10/7/2025, 12:01:54 AM
No.28659164
>>28658655
What I mean is, I heard somewhere that in some cases, with "fancy" cars, taking a plastic component and swapping it for metal can have bad unforeseen consequences. I don't remember if it was BMW or Chrysler/Dodge/Jeep that I was reading about. Maybe I'll double back and let you know more, but the point is this: swapping plastic for metal can cause the heat to be redirected to other components in your motor, and this can cause other shit to melt. I know this sounds like tinfoil hat shit, but it's because Germans love to over-engineer crap like crazy. Also, why do you want such a piece of trash as a "forever" car? BMW is probably the worst car brand. I mean, your entire car is pretty much made of plastic. You're not gonna keep this car forever, it's a BMW.
>finding the part
Can you tell me what generation your BMW is? More details about the car? I googled around to search for the part you want, and I cannot find it easily. I think that's for a reason-- it's supposed to be plastic, and if it's not, you could potentially have a bad case of the motor melties. Don't say I didn't warn ya. You COULD call a shop and custom engineer a part, if you feel like you have too much money and you wanna pointlessly waste some.
>non idiotic upgrades
If you're serious about upgrading your piece of shit, then have you checked whether you have a plastic oil pan? If your oil pan is plastic, then you're never more than 1 curb or rock away from losing all your oil. That's what I'd start with-- upgrade your oil pan from plastic to metal. But again, I think you should get a different vehicle if you intend to keep it.
Anonymous
10/7/2025, 4:37:05 AM
No.28659521
>>28659543
>>28657928
I live in Texas, they just got rid of the yearly inspections but my county requires an emissions test. I haven't had to do it myself yet so I'm not sure what it entails.
Anonymous
10/7/2025, 4:48:42 AM
No.28659540
>>28658022
Not sure about the 350Z, but the 370Z was:
>250 lbs lighter than the Mustang GT
>550 lbs lighter than the Camaro SS
>700 lbs lighter than the Challenger R/T
The only notable sports car at the time that was lighter was the Corvette, and that was only by 100 lbs. Anyone who says the 370Z is pigfat is a seething Miata fag
Anonymous
10/7/2025, 4:50:13 AM
No.28659543
>>28659521
>Plug in OBDII scanner
>Idle car for a couple seconds
>No emissions codes = good to go
Things may be different if you got an ancient car but that's how it works for me
Anonymous
10/7/2025, 11:34:20 AM
No.28659872
>>28659875
Why does my car take longer to start up when hot? Seems like it should be the opposite to me.
Anonymous
10/7/2025, 11:36:53 AM
No.28659874
is the used car websites list in the sticky still relevant for the US or are there better/more relevant sites now?
Anonymous
10/7/2025, 11:39:50 AM
No.28659875
>>28659872
And its only when i leave it off for a few minutes, it I start it back up straight away it starts instantly.
Anonymous
10/7/2025, 11:49:03 AM
No.28659879
>>28639907
>My right brake disc is heating up more than the left one.
This is misadjusted. You need to fix that before you wreck your hand brake.
Anonymous
10/7/2025, 11:56:47 AM
No.28659884
>>28640039
You should rotate them in a pattern so every tire gets into every position. What people do with non-directional tires (and I do with my summer tires) is pull back and cross forward
X-> <=
So left back becomes right front
Right back becomes left front
Right front becomes right back
Left front becomes left back.
Anonymous
10/7/2025, 12:13:56 PM
No.28659891
>>28659906
>>28640532
Any of Michelin, Comtinental WinterContact or Perilli will do. Obviously do not get studded Nokians unless you really need ice tires for Alpine conditions as they are poor or downright unsafe off ice or packed snow. I think you would know about it if you did need studded tires.
Anonymous
10/7/2025, 12:29:07 PM
No.28659906
>>28659891
>they are poor or downright unsafe off ice or packed snow
Lies.
Anonymous
10/7/2025, 1:14:41 PM
No.28659943
>>28642101
>I just wanted to know which one of the three tires I posted are the best
Over my entire winter driving career I have just picked randomly from those three brands.
Come to think about it this is my set's fifth year. I may want ro think about binning them. Will see what they are like on and decide them. They came with the car too. May be el-cheapos.
Anonymous
10/7/2025, 4:03:59 PM
No.28660136
>>28660167
>>28660181
>>28639356 (OP)
Second time i manage to lose the back wheels of my fwd shitbox in rain/snow and ended up hitting a concrete slab with the front of it. Will have to buy a new car. What can i do to prevent that ever happening again? better tires? buying a 4x4 car? Quattro or 4M?
Anonymous
10/7/2025, 4:27:05 PM
No.28660167
>>28660229
>>28660136
>Second time i manage to lose the back wheels of my fwd shitbox in rain/snow and ended up hitting a concrete slab with the front of it.
No one would believe you, everyone knows fwd is the safest.
Jokes aside, buy an RWD and good tires, don't drive like a complete retard (semi-retard is fine)
RWD is more intuitive: lose the rear, lift off the gas in horror and the rear grip comes back to you. AWD is worse because there are lots of systems with different behavior, most are computer-controlled nowadays, so you're going to need a lot of time in sketchy situations for your butt to learn how the one you bought works under what conditions.
Anonymous
10/7/2025, 4:34:10 PM
No.28660177
>>28658142
>loud clunk from the rear when reversing in the driveway over bumps
check sway bar bushings
Anonymous
10/7/2025, 4:40:27 PM
No.28660181
>>28660229
>>28660136
90% of handling is your tires. get better tires. the cheapest tires aren't the best deal. don't run summer tires year round. measure you're tread depth and if its low, replace them.
Anonymous
10/7/2025, 5:38:07 PM
No.28660229
>>28660517
>>28661236
>>28660181
I was looking to buy a new car anyways so i stopped putting money in the current one so i did not change the tires even though i knew should have changed them. Nearly cost me my life or even worse other people's lives.
>>28660167
I want to avoid losing control of the car, hence i was asking about ways to prevent that from happening again.
Anonymous
10/7/2025, 6:26:54 PM
No.28660271
>>28660532
>have 1 litre smol manual econobox from 2013
>love it to death, was its second owner with 15k miles on the clock when I bought it
>knowingly bought it even if it stood still for a few years (geriatric first owner getting dementia)
>suddenly have strange noise when the following criteria are met
>no noise at low driving speed (15mph max), foot actively on the gas pedal
>get noise when lifting foot off the gas pedal
>noise instantly goes away when going back on the gas
>noise also goes away when pressing the clutch pedal
I think my clutch plate has gone bad somehow, worn unevenly or something with the friction pads. something like two months ago I heard a weird noise one time when depressing the clutch to start it up.
The thing is however that clutch engagement and driving away has not changed a bit, it's still quite crisp and can get from its place without having to drag the clutch whatsoever...
my main worry is it grenading itself during my morningcommute and having to spend a bunch of money getting a tow. I'd rather spend that dough on an actual pre-emptive repair, but then again I don't want to replace whichever isn't the issue obviously
Anonymous
10/7/2025, 9:18:04 PM
No.28660517
>>28660229
>I want to avoid losing control of the car, hence i was asking about ways to prevent that from happening again.
You can't avoid it, it will happen again eventually. You have to learn to deal with it.
Anonymous
10/7/2025, 9:25:44 PM
No.28660532
>>28661520
>>28660271
>my main worry is it grenading itself during my morningcommute
stuff like this rarely fails suddenly and spectacularly, you usually have a long period of gradually worsening noise until it's extremely loud.
also it could be something as simple as a heatshield rubbing against an axle shaft. nothing there screams pressure plate to me.
Anonymous
10/7/2025, 10:19:28 PM
No.28660618
>>28645851
Go to the dealer and denegrify with 15" factory supplied steel wheels.
Anonymous
10/7/2025, 10:23:01 PM
No.28660627
>>28646650
I had water in the footwells and it was from my air intakes being full of leaves. I had backstreet garage dismatle it and clean it all out and the problem went away.
Anonymous
10/7/2025, 10:38:02 PM
No.28660665
>>28649250
Austen Allegros and Range Rovers had flush the body mechanical door handles in the 1970s that still look better than the gay efforts used by Tesla today to trap people while the vehicle burns.
What do i need to know to drop a front subframe? I'm putting in swaybars and the front is going to require it. Is the engine typically mounted on it?
Anonymous
10/8/2025, 2:35:57 AM
No.28660981
>>28661271
>>28662059
>>28660911
Have you considered looking at the service manual, because it will most almost certainly have a torque spec
Anonymous
10/8/2025, 3:28:27 AM
No.28661030
>>28661529
My mother drives a 2006 Kia Sorento as her daily driver. My Jeep is truly dead for the 22nd time she lent me her Kia while I sort that out.
I asked her about the grinding/vibrating while driving it. She had no idea what I was talking about; She recently had it tuned-up so didn't think anything should be awry.
After she heard it and felt it, she told me I can only drive it to and from work, since I have no vehicle right now. I wasn't going to go across country in it, so I'm not sure what the "only work and home" thing is; where else was I gonna go.
Anyway, I noticed that, when turning right, it stops grinding/vibrating. I don't know anything about Kias, but I looked in the wheel well and at the surrounds, and at the brakes and stuff. Nothing seems to be sticking into/out of anytning, but I wouldn't know what to look out for.
Any idea why it would grinding, but also would stop if I turn the wheel even a fraction of a degree to the right? For my mom.
Anonymous
10/8/2025, 6:23:03 AM
No.28661236
>>28660229
Find an empty parking lot that doesn't have lamp posts
Initiate/maintain donuts for half an hour
Vary your corner speeds while doing so
You are now competent at skid recovery
Anonymous
10/8/2025, 7:41:42 AM
No.28661271
>>28660981
I'm not asking for the torque setting
Anonymous
10/8/2025, 8:58:46 AM
No.28661311
>>28657318
>>28657883
>>28658142
>hearing a swish-swish-swish noise from the rear
When this happened to me it was a worn out tire rubbing on something.
>>28639356 (OP)
Where in Ontario can I go to get rust proof treatment that isn't run by shitskins?
Anonymous
10/8/2025, 2:20:49 PM
No.28661520
>>28661743
>>28660532
>nothing there screams pressure plate to me.
Alright, thanks for clearing that up. Spent last night googling away and came to the conclusion that it is probably the gearbox, in particular the box' main bearing.
So my primary concern still stands, gearbox grenading itself during my commute.
I can afford to get it fixed, but I still need a few days at best or weeks at worst of commuting until I can get an appointment to have it replaced....
Anonymous
10/8/2025, 2:24:29 PM
No.28661529
>>28661030
if the grinding persists while coasting (in neutral or clutch pedal pressed), and the noise changes depending on the steering angle, then it is pretty safe to assume it is the one of the (front) wheel bearings.
Gonna need replacement, but could be worse. No idea how to check which of the front ones it is, but I guess you could ask your mom to drive while you walk alongside it and just try to hear which side sounds worse/louder.
>>28639356 (OP)
thinking about getting leather cover seats for my car. the paint is silver and the interior is black. the options are either black or burgundy, i really like the burgundy colour but not sure it would mesh well with the existing colours. what do you think bros?
Anonymous
10/8/2025, 4:54:49 PM
No.28661657
Anonymous
10/8/2025, 5:01:10 PM
No.28661661
is a 4 thou smoothed overledge at the top of a cylinder gonna fuck up my compression ring, and will high tension rings work in a fine honed bore (no i do not have a surface roughness tester for the exact measurements i am in this situation because i cheaped out on the machine shop)
buy once cry once, my retardation has bitten me in the ass again. shoulda gone with the fancy shop in the middle of nowhere
Anonymous
10/8/2025, 6:35:35 PM
No.28661740
>>28660911
it depends on the car. on most newer fwd there may be a lower engine mount connected for stabilization, but the weight of the engine is supported on the main frame of the car. subframe on newer cars is usually the steering rack, tie rods, and lower control arms. remove those, then remove the big bolts holding it to the frame and it will drop out.
Anonymous
10/8/2025, 6:36:36 PM
No.28661741
>>28661784
>>28662890
Anonymous
10/8/2025, 6:37:37 PM
No.28661743
>>28661790
>>28661520
you could probably drive it for years like that unless it starts sound like gravel in a popcorn machine, I wouldn't worry about it.
Anonymous
10/8/2025, 6:39:03 PM
No.28661745
Anonymous
10/8/2025, 7:21:56 PM
No.28661784
>>28661813
>>28661741
Can't really do it in the streets
Anonymous
10/8/2025, 7:27:22 PM
No.28661790
>>28661743
Nah, it just sounds like one or two marble rolling inside a soupcan which itself is rolling downhill
Anonymous
10/8/2025, 7:49:49 PM
No.28661813
>>28662151
Anonymous
10/8/2025, 11:12:50 PM
No.28662059
>>28658346
>Hyundai's and Kias are basically the same
That's because they are, and they even share powertrains
>>28658642
Anon, 200,000 miles isn't a huge milestone. Call me when it's at 4 or 500,000. Still, I admit Korean cars have improved, and they're pretty service friendly. Meanwhile, nearly everyone else's build quality (Germans, Italians, other Europeans, even Americans) has been falling off a cliff recently. So, Hyundai feels better by comparison. However, that doesn't mean you can reasonably compare them to top dogs like Honda.
>>28660911
Read
The
Fucking
Manual
(if you tell me the car, I can link the manual in PDF form)
>>28660981
+1 on that
>>28661636
do whatever you want anon
>>28658327
>blue is already exiting the intersection
Not in the first pic
>>28661513
Like other anon said, probably nowhere
Anonymous
10/9/2025, 12:36:10 AM
No.28662151
>>28661813
Alright I'll do it. I have no choice really. Never rustproofed the thing and I'm paying the price. I'll even post proof
Anonymous
10/9/2025, 3:08:20 AM
No.28662291
>>28662337
>>28663023
Iβm trying to replace the wheel bearing on my 2002 Chevy Tahoe.
Anyone know what this hub cap thing is on the bearing? Iβm trying to get to the axel nut. None of the videos Iβve seen have this. Donβt I have to unscrew the axel nut to take off the bearing? It doesnβt look possible to pry off.
Anonymous
10/9/2025, 3:50:43 AM
No.28662337
>>28662291
Anon, in the name of Moses and Abraham, refer to your holy service manual for your vehicle.
THOU
SHALT
CHECK
THY
SERVICE
MANUAL!
Anonymous
10/9/2025, 5:02:56 AM
No.28662400
Why no W18s (three banks of inline 6s)?
Also, what are the advantages of 120 degree V6s that the supercar developers seem to favor these days over 60 degrees?
Anonymous
10/9/2025, 3:37:06 PM
No.28662890
>>28663029
>>28661513
>>28661741
Ok now the problem is I don't have a compressor and all my years I've never needed one. How well do the cans apply? And where do I get an extension hose that is reliable
Anonymous
10/9/2025, 5:30:34 PM
No.28663023
>>28662291
it's a dust cap, should be able to hit it with some liquid wrench then pry it gently with a screwdriver. they make a special puller but it's really not needed if you're careful. if you bend it up make sure to replace it so dirt doesn't get in.
Anonymous
10/9/2025, 5:31:57 PM
No.28663029
>>28663054
>>28662890
the cans are ok they just take longer than the sprayer and are more of a pain in the ass, but if that's what you have to work with it'll do the job.
they make a little flexible tube nozzle that snaps on top of the cans that still let you spray into frame rails and crevaces.
Anonymous
10/9/2025, 5:47:31 PM
No.28663054
>>28663100
>>28663029
>they make a little flexible tube nozzle that snaps on top of the cans that still let you spray into frame rails and crevaces.
The stores that sell them here don't have those I'm having a hard time finding one that isn't chink shit. I really hate amazon
Anonymous
10/9/2025, 6:08:24 PM
No.28663100
>>28663111
>>28663054
insert the red straw into the can nozzle, superglue it so it doesn't fall out then stick a small length of really small rubber hose just big enough to go over the red straw and use the hose to hit the crevasses
Anonymous
10/9/2025, 6:17:34 PM
No.28663111
Anonymous
10/9/2025, 7:47:25 PM
No.28663280
>>28658274
Blue has right of way because by the time he reaches pink, he is "going straight" whereas pink in manoevering/merging
Anonymous
10/9/2025, 8:29:15 PM
No.28663340
>>28664291
Over here we have very mild winters, not even -10Β°C, the snow sometimes even decline the invitation.
And yet every year you have normies switching into their "winter tyres". Good for the tyre guys I guess, they also need to be fed.
But what I did was just install new 'all season' tyres and then never bothered. I've had no issue with it.
What are the cons of this?
Anonymous
10/10/2025, 11:04:48 AM
No.28664291